一、重力式一体化净水器:全方位解读
随着城市化进程的加速和环境污染问题的不断加剧,水质污染也成为了一个逐渐突出的问题。在这个背景下,净水器逐渐成为人们家里必备的生活用品。而其中,重力式一体化净水器作为一种新型的净水器,备受消费者关注。本文将从以下几个方面,全面介绍重力式一体化净水器。
二、重力式一体化净水器是什么?
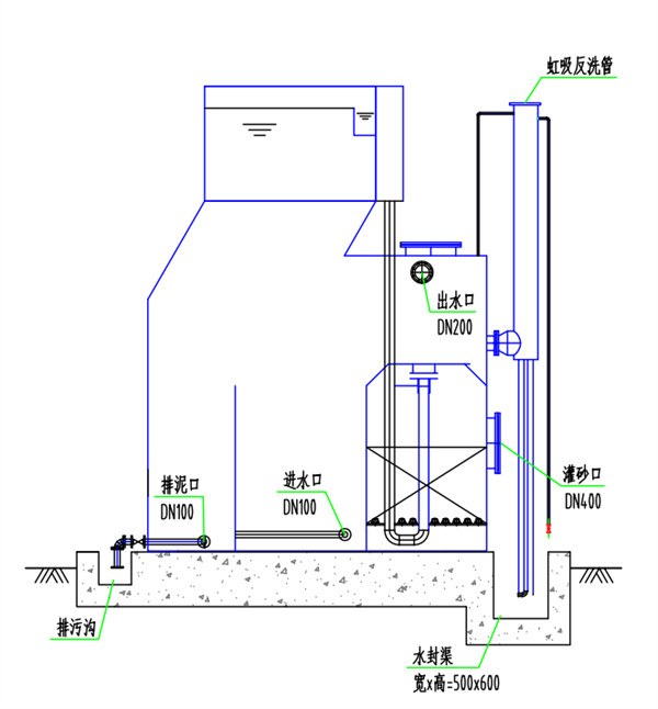
重力式一体化净水器是一种新型的水处理设备,其原理主要是利用重力驱动水流通过多种过滤介质,从而实现水质的净化。这种设备的结构相对简单,通常由上部的水箱、中间的过滤器和下部的储水罐三部分组成。水箱内装有原水,通过重力作用,水流自发地流入过滤器,经过滤层过滤后的干净水储存在储水罐中,供用户使用。
重力式一体化净水器,是设有缩口的改进型喉管及格网、折板、水力反应等设施的综合净水器设备。将絮凝、澄清和过滤工艺紧凑合理地组合成一体,能方便地将一般地面水源原水净化成符合卫生标准的生活用水,主要适用于广大农村、乡镇、农场、部队营房和中小企事业单位改善生活饮水水质使用,适用于工业用水软化,除盐工艺的水处理,同时也合于某些以分离去除水中悬浮物及胶体杂质为主要目的的接近中性的生产废水的净化使用。本净水器适用于一般浊度不超过500mg/l的原水处理,短时间原水浊度可达1000mg/l。净水器出水浊度小于3mg/l,单台处理水量5~200m3/h。

三、重力式一体化净水器的工作原理
重力式一体化净水器的工作原理可以概括为三个阶段:预处理、吸附与过滤、反冲洗与自动控制。在预处理阶段,水源通过前置滤网,过滤掉大颗粒杂质,为后续净化环节做好准备。在吸附与过滤阶段,活性炭吸附层和超滤膜过滤层协同作用,去除水中的有害物质,产出干净的饮用水。在反冲洗与自动控制阶段,净水器会根据使用时间和水质情况自动进行反冲洗,清除滤芯上的污垢,确保净化效果持久稳定。
1.预处理阶段
在预处理阶段,重力式一体化净水器首先对水源进行初步净化。通过前置滤网,净水器能够有效地拦截水中的大颗粒杂质,如泥沙、铁锈等。这一过程类似于自然环境中的河流湖泊,水源在流动过程中,颗粒较大的杂质会因为重力作用而沉淀下来,从而实现初步的净化。前置滤网的作用正是模拟这一自然现象,保护后续净化部件,降低滤芯的负担。此外,预处理阶段还能去除水中的余氯,降低水质的氧化性,为后续吸附与过滤阶段创造有利条件。
2.吸附与过滤阶段
在吸附与过滤阶段,重力式一体化净水器进一步净化水质。活性炭吸附层作为净水器的重要组成部分,在这一阶段发挥着关键作用。活性炭具有极高的比表面积,能与水中的有机物、余氯、重金属等有害物质发生吸附作用,有效去除水中的异味、颜色和有害物质。与此同时,超滤膜过滤层则负责滤除细菌、病毒等微生物,确保水质的安全性。
3.反冲洗与自动控制阶段
反冲洗过程中,净水器内部的排水管道也会打开,将清洗出的污水排放出去。这个过程通常需要几秒钟到几分钟的时间,具体取决于滤芯的污染程度和使用时间。清洗结束后,进水阀自动打开,恢复正常供水。此外,反冲洗过程还可以通过手机APP或智能家居系统进行远程控制,方便用户随时了解净水器的工作状态和维护需求。
自动控制是重力式一体化净水器的另一大特点。净水器内置了水质监测传感器,可以实时监测水质状况。当水质恶化或滤芯堵塞时,控制系统会自动触发反冲洗程序,确保水质始终达标。这种智能化管理方式不仅提高了净水器的工作效率,还降低了用户的维护成本。

四、重力式一体化净水器的优点
重力式一体化净水器其优点在于: - 高效的过滤效果:通过多层滤芯滤材,过滤和吸附杂质,可以达到高效净化的效果。 - 方便实用:通过重力作用,无需消耗电力或用手动力运行,使用简单方便。 - 价格相对较低:相对其他净水设备而言,重力式一体化净水器的价格相对较低。- 全自动运行模式,无需专人操作和维护,降低了运行成本。- 重力式一体化净水器采用模块化设计,安装方便,可根据用户需求进行灵活组合和扩展。- 重力式一体化净水器采用环保材料制造,不会产生二次污染,具有良好的可持续发展意义。
五、重力式一体化净水器在水质净化中的应用
重力式一体化净水器在水质净化领域具有广泛的应用。由于其高效过滤能力和环保特性,该设备在我国农村地区的水源污染治理中发挥着重要作用。重力式一体化净水器不仅可以有效去除水中的悬浮颗粒、胶体、有机物等污染物,还能对微生物进行有效控制,确保出水质量达到国家生活饮用水标准。此外,该设备在家庭、企事业单位等场景中也得到了广泛应用,为用户提供安全、健康的饮用水。
六、重力式一体化净水器的选购建议
在选购重力式一体化净水器时,应当注意以下几点: - 需要看清楚产品的滤芯结构图,并了解滤芯的滤材是否符合标准; - 需要注意产品的过滤净水速率,不建议购买过慢的产品; - 需要关注产品的使用寿命,以及是否支持滤芯更换。

七、重力式一体化净水器的使用和维护建议
在使用重力式一体化净水器时,大家可以注意一些使用和维护的小建议: - 在使用过程中,减少灰尘、异物、油脂等物质的接触; - 经常检查滤芯,及时更换; - 不保证滤芯带来的水质卫生,定期清理和消毒重力水安装器; - 在使用过程中,不要将重力式一体化净水器直接放在阳光下或者在高温环境下使用。
八、总结
重力式一体化净水器作为一种新型的净水器,具有优良的净水效果和易于使用等优点,是人们越来越重视的必备家用品。在购买和使用时,用户需要关注它的滤芯、净水速率、使用寿命等问题,才能使用得更加放心、安全和贴心。
